VII. SPORZĄDZENIE PRZYKŁADOWEJ OFERTY

Spis tematów

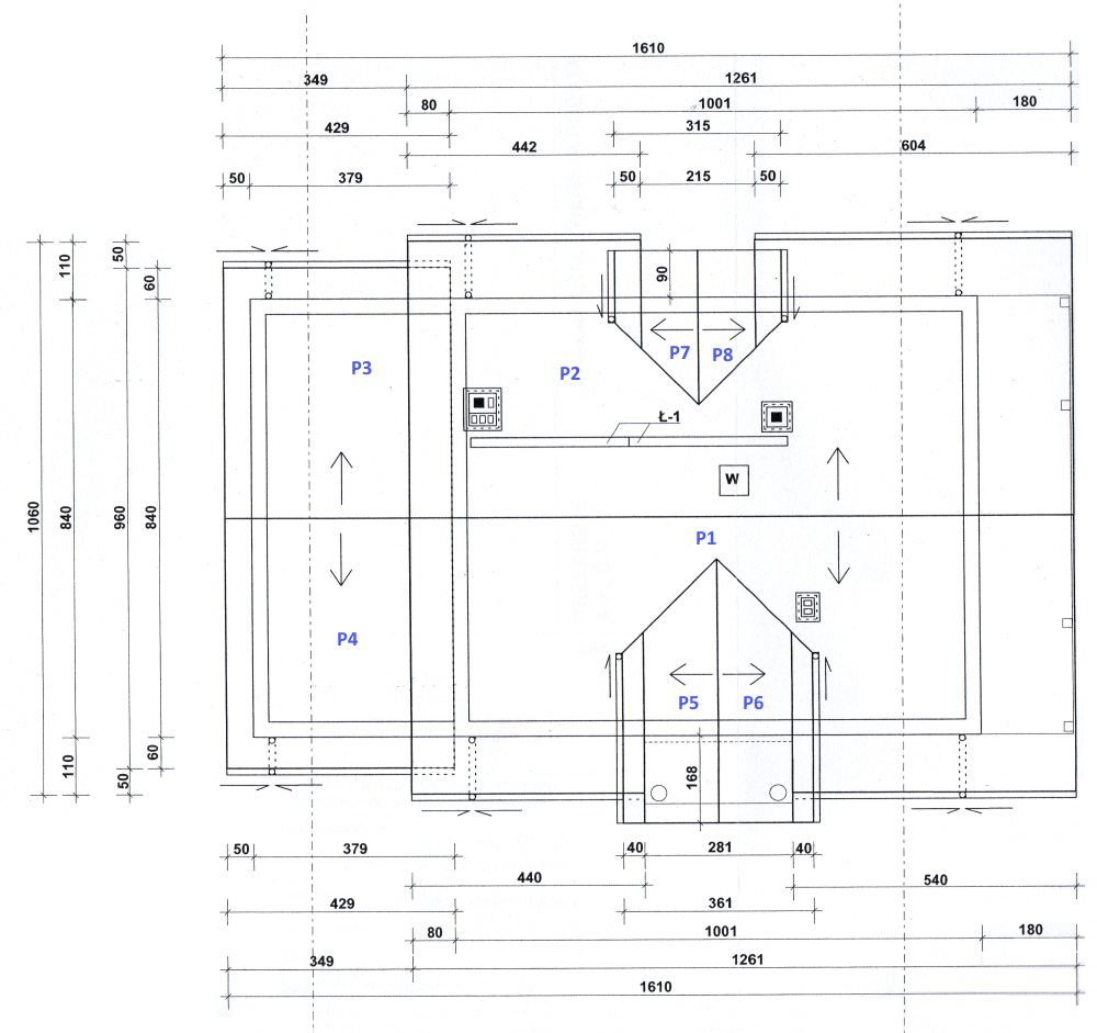
Na przykładzie poniżej przedstawionego projektu. Połacie ponumerowane od 1 do 8.


1. Wprowadzanie wymiarów dachu

1.1. Połać1 - rysowanie połaci używając do tego myszki (kształt nietypowy)


1.1.1. Wybrać w inspektorze dokumentu Połać1

1.1.2. Wpisać kąt nachylenia 42°

1.1.3. Wybrać narzędzie „Narysuj kształt”

1.1.4. Ustawić kursor w pozycji 0,0 i nacisnąć lewy klawisz myszki aby dodać punkt

1.1.5. Dodać kolejne punkty lewym klawiszem myszki (0,0 440,0 440,320 580,440 720,320 720,0 1261,0 1261,530) . Trzymając wciśnięty klawisz SHIFT rysowane linie będą pionowe lub poziome. Jeśli trudno precyzyjnie określić współrzędną punktu za pomocą myszki, można użyć klawiszy strzałek do skorygowania współrzędnej.

1.1.6. Po dodaniu ostatniego punktu należy wcisnąć prawy klawisz myszki lub klawisz ESC

Link do przewodnika video

1.2. Połać2 – wpisywanie wszystkich współrzędnych połaci z klawiatury


1.2.1. Wybrać Dach1

1.2.2. Z Listwy akcji wybrać przycisk Nowa połać, na liście pojawi się Połać2

1.2.3. Wpisać kąt nachylenia 42°

1.2.4. Wybrać narzędzie „Narysuj kształt”

1.2.5. W pasku statusu wpisać współrzędną X pierwszego punktu, nacisnąć klawisz ENTER, wpisać współrzędną Y pierwszego punktu i ponownie nacisnąć klawisz ENTER. Punkt zostanie dodany po zatwierdzeniu Y klawiszem ENTER.

1.2.6. Wpisać współrzędne kolejnych punktów zatwierdzając wartości w polach X i Y klawiszem ENTER

1.2.7. Po dodaniu wszystkich punktów nacisnąć przycisk ESC

Link do przewodnika video

1.3. Połać3 – typowy kształt - prostokąt, dodanie połaci z repozytorium


1.3.1. Wybrać Dach1

1.3.2. Z Listwy akcji wybrać przycisk „Dodać połać z repozytorium”

1.3.3. Wybrać prostokąt

1.3.4. Ustawić kąt nachylenia 42°

1.3.5. W parametrze A = 429cm, B = 480cm

1.3.6. Wybrać przycisk OK

Link do przewodnika video

1.4. Połać4 – skopiowanie połaci3 (jest identyczna)


1.4.1. Zaznaczyć Połać3

1.4.2. Wybrać z listwy akcji przycisk Kopiuj połać

1.4.3. Zaznaczyć Połać3(1) i zmienić nazwę na Połać4


Link do przewodnika video

1.5. Połać5 – typowy kształt – trapez, dodanie z repozytorium


1.5.1. Wybrać Dach1

1.5.2. Z Listwy akcji wybrać przycisk „Dodać połać z repozytorium”

1.5.3. Wybrać trapez4

1.5.4. Ustawić kąt nachylenia 42°

1.5.5. Wpisać wymiary A=320cm, B=500?, C=180cm

1.5.6. Wybrać przycisk OK

Link do przewodnika video

1.6. Połać6 – skopiowanie połaci5 i odbicie pionowe


1.6.1. Wybrać połać5

1.6.2. Wybrać z listwy akcji przycisk Kopiuj połać


1.6.3. Zaznaczyć Połać5(1) i zmienić nazwę na Połać6

1.6.4. Wybrać z listwy akcji przycisk „Odbicie pionowe”

Link do przewodnika video

1.7. Połać7 – typowy kształt – trapez, dodanie z repozytorium

1.7.1. Wybrać Dach1

1.7.2. Z Listwy akcji wybrać przycisk „Dodać połać z repozytorium”

1.7.3. Wybrać trapez4

1.7.4. Ustawić kąt nachylenia 42°

1.7.5. Wpisać wymiary A=140, B=290, C=157

1.7.6. Wybrać przycisk OK

Link do przewodnika video

1.8. Połać8 – skopiowanie połaci7 i odbicie pionowe

1.8.1. Wybrać połać7

1.8.2. Wybrać z listwy akcji przycisk Kopiuj połać

1.8.3. Zaznaczyć Połać7(1) i zmienić nazwę na Połać8

1.8.4. Wybrać z listwy akcji przycisk „Odbicie pionowe”

Link do przewodnika video


2. Wybór materiałów

2.1. Zmienić zakładkę w Listwie na „Materiały”

2.2. Jeśli kształt połaci nie jest zaznaczony przerywaną linią, kliknąć w kształt aby wybrać połać

2.3. Z listwy akcji wybrać przycisk „Dodaj pokrycie”


2.4. Wybrać rodzaj pokrycia ( Blachy trapezowe i panele lub Blachodachówki lub Blachodachówki modułowe)

2.5. Wybrać produkt

2.6. Wybrać przycisk OK


Link do przewodnika video

3. Adaptacja wyników po optymalizacji zapotrzebowania materiałowego

3.1. Usunięcie zbędnych arkuszy

Zaznaczyć Połać3, jeden z arkuszy po prawej stronie jest zbędny (brak zostanie przykryty obróbką). Należy zaznaczyć arkusz i wybrać przycisk z sekcji Wyniki pt. „Usuń z połaci”


Link do przewodnika video

4. Sporządzanie oferty

4.1. Wpisanie danych klienta


4.2. Wpisanie cen, rabatów


Link do przewodnika video

5. Zapis oferty

Wybrać zakładkę Plik w listwie, a następnie przycisk Zapisz. Pojawi się okienko z prośbą podania nazwy pliku. Po wpisaniu nazwy należy nacisnąć OK. Oferta jest zapisana

6. Wydruk oferty

Aby wydrukować ofertę należy na zakładce Plik wybrać akcję Drukuj